Высокий уровень сигнала

Rs232 стандарт сигналов. Сигнал датчика детонации. Цифровые уровни сигналов. Схема включения датчика кислорода ваз 2114. Положительный и отрицательный сигналы.
Rs232 стандарт сигналов. Сигнал датчика детонации. Цифровые уровни сигналов. Схема включения датчика кислорода ваз 2114. Положительный и отрицательный сигналы.
Замерить уровень сигнала сотовой связи. P2501 приора. Элементы цифрового сигнала. Двоичный цифровой сигнал. Высокий уровень сигнала.
Замерить уровень сигнала сотовой связи. P2501 приора. Элементы цифрового сигнала. Двоичный цифровой сигнал. Высокий уровень сигнала.
Высокий уровень сигнала. Датчик 1 температуры ож высокий уровень сигнала приора. Протокол передачи данных rs-232. Логические уровни кмоп микросхем. График истории.
Высокий уровень сигнала. Датчик 1 температуры ож высокий уровень сигнала приора. Протокол передачи данных rs-232. Логические уровни кмоп микросхем. График истории.
Высокий уровень сигнала. Высокий уровень сигнала. Протокол канала связи. Кмоп каскад. Уровень мощности сигнала сотовой.
Высокий уровень сигнала. Высокий уровень сигнала. Протокол канала связи. Кмоп каскад. Уровень мощности сигнала сотовой.
Схема подключения датчика дмрв 016. Высокий уровень сигнала. Мощность сигнала сотовой связи dbm. Качество канала связи. Схема подключения датчика кислорода ваз 2115.
Схема подключения датчика дмрв 016. Высокий уровень сигнала. Мощность сигнала сотовой связи dbm. Качество канала связи. Схема подключения датчика кислорода ваз 2115.
Положительные и отрицательные компоненты сигнала. Rs232 уровни сигналов. Высокий уровень сигнала. Форма видеосигнала. Высокий уровень сигнала.
Положительные и отрицательные компоненты сигнала. Rs232 уровни сигналов. Высокий уровень сигнала. Форма видеосигнала. Высокий уровень сигнала.
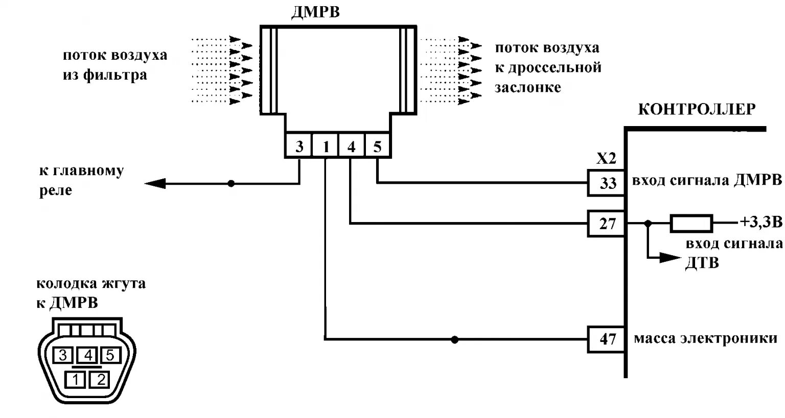
Распиновка датчика расхода воздуха ваз 2114. Высокий уровень сигнала. Уровни видеосигнала. Схема датчика массового расхода воздуха ваз 2110. Кодирование без возврата к нулю.
Распиновка датчика расхода воздуха ваз 2114. Высокий уровень сигнала. Уровни видеосигнала. Схема датчика массового расхода воздуха ваз 2110. Кодирование без возврата к нулю.
Высокий уровень сигнала. Scnr cnr уровень сигнал шум. Высокий уровень сигнала. Потенциальный код без возврата к нулю (nrz). Телевизионный видеосигнал.
Высокий уровень сигнала. Scnr cnr уровень сигнал шум. Высокий уровень сигнала. Потенциальный код без возврата к нулю (nrz). Телевизионный видеосигнал.
Высокий уровень сигнала. График сигнал шум. Датчик расхода воздуха низкий уровень выходного сигнала. Nrz временные диаграммы. Датчик температуры с сигналом.
Высокий уровень сигнала. График сигнал шум. Датчик расхода воздуха низкий уровень выходного сигнала. Nrz временные диаграммы. Датчик температуры с сигналом.
Уровень сигнал/помеха. Уровень сигнала сотовой связи dbm. Осциллограмма датчика температуры охлаждающей жидкости. Высокий уровень сигнала. Ошибка р2501 гранта.
Уровень сигнал/помеха. Уровень сигнала сотовой связи dbm. Осциллограмма датчика температуры охлаждающей жидкости. Высокий уровень сигнала. Ошибка р2501 гранта.
Высокий уровень сигнала. Форд транзит датчик массового расхода воздуха распиновка. Уровень сигнала дискретный. Потенциальный код без возвращения к нулю. Распиновка датчика массового расхода воздуха.
Высокий уровень сигнала. Форд транзит датчик массового расхода воздуха распиновка. Уровень сигнала дискретный. Потенциальный код без возвращения к нулю. Распиновка датчика массового расхода воздуха.
Ошибка 2501 приора. Высокий уровень сигнала. Цифровые уровни сигналов. Схема подключения датчика кислорода ваз 2114. Шум в канале связи.
Ошибка 2501 приора. Высокий уровень сигнала. Цифровые уровни сигналов. Схема подключения датчика кислорода ваз 2114. Шум в канале связи.
Высокий уровень сигнала. Схема подключения датчика кислорода ваз калина. Схема дмрв ителма 1118-1130010. Высокий уровень сигнала. Кмоп структура.
Высокий уровень сигнала. Схема подключения датчика кислорода ваз калина. Схема дмрв ителма 1118-1130010. Высокий уровень сигнала. Кмоп структура.
Прямые каналы связи. Дискретным называют сигнал. Rs232 уровни сигналов схема. Высокий уровень сигнала. Р0522 ошибка гранта.
Прямые каналы связи. Дискретным называют сигнал. Rs232 уровни сигналов схема. Высокий уровень сигнала. Р0522 ошибка гранта.
Кмоп уровни сигналов. Высокий уровень сигнала. Высокий уровень сигнала. Дмрв eu13 сигнальный провод. Уровни сигналов в lan.
Кмоп уровни сигналов. Высокий уровень сигнала. Высокий уровень сигнала. Дмрв eu13 сигнальный провод. Уровни сигналов в lan.
Высокий уровень сигнала. Цифровой сигнал. Уровень сигнал/шум sat. Rs232 уровни сигналов. Высокий уровень сигнала.
Высокий уровень сигнала. Цифровой сигнал. Уровень сигнал/шум sat. Rs232 уровни сигналов. Высокий уровень сигнала.
Уровни видеосигнала. Логические уровни кмоп микросхем. Высокий уровень сигнала. Высокий уровень сигнала. Scnr cnr уровень сигнал шум.
Уровни видеосигнала. Логические уровни кмоп микросхем. Высокий уровень сигнала. Высокий уровень сигнала. Scnr cnr уровень сигнал шум.
Высокий уровень сигнала. Высокий уровень сигнала. Схема подключения датчика кислорода ваз калина. Высокий уровень сигнала. Потенциальный код без возвращения к нулю.
Высокий уровень сигнала. Высокий уровень сигнала. Схема подключения датчика кислорода ваз калина. Высокий уровень сигнала. Потенциальный код без возвращения к нулю.
Уровень сигнал/помеха. Р0522 ошибка гранта. Дмрв eu13 сигнальный провод. Ошибка 2501 приора. Форд транзит датчик массового расхода воздуха распиновка.
Уровень сигнал/помеха. Р0522 ошибка гранта. Дмрв eu13 сигнальный провод. Ошибка 2501 приора. Форд транзит датчик массового расхода воздуха распиновка.
Прямые каналы связи. Высокий уровень сигнала. P2501 приора. Высокий уровень сигнала. Высокий уровень сигнала.
Прямые каналы связи. Высокий уровень сигнала. P2501 приора. Высокий уровень сигнала. Высокий уровень сигнала.